


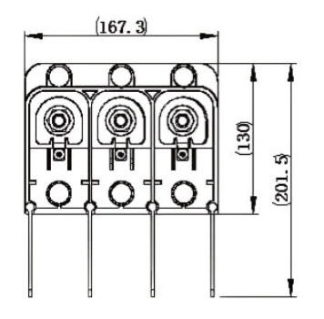
Product Name: 300A 3PIN Waterproof wall-through terminal block
Number of Pins: 3 P
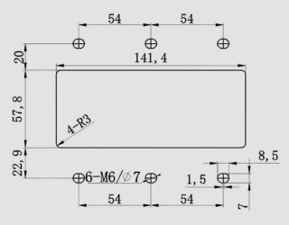
Cut-out:
Rated Current: 300A
Rated Voltage: 1000V AC
Rated impulse Voltage: 8KV AC
Wire gauge:internal 3/0AWG MAX
external:300mm2 max
Degree of protection(IP): IP68(1m-1H)